24小時聯系電話:18217114652、13661815404
中文
行業資訊
消除DC-DC轉換器的開關噪聲
dc-dc轉換器常見的問題是,當輸入電壓可以高于,低于或等于輸出電壓時,便會產生穩定電壓,也就是說,轉換器必須同時執行升壓和降壓功能。使用標稱12V電池為車輛電子設備供電時,通常會出現這種情況,其變化范圍可能從發動機冷曲柄(低至3 V)和負載突降(最高100 V),或者由于操作者錯誤而導致電池電壓反向。從SEPIC到4開關拓撲,幾種DC-DC轉換器拓撲都可以執行升壓和降壓操作,但是在沒有進行主動開關的情況下,這些拓撲都不會將輸入電壓直接傳遞到輸出。
一種替代方法是利用一個控制器,當輸入電壓在特定窗口內時,該控制器將輸入直接傳遞到輸出。這消除了EMI和開關損耗,同時使效率最大化(高達99.99%)。例如,LT8210是一個同步降壓/升壓控制器,可以在“直通”模式下工作,從而允許用戶設置一個可編程窗口,輸入將直接傳遞給該窗口。由于無需主動切換FET就可以將輸入電壓直接傳遞至輸出,因此可以實現超低的I Q操作并消除了開關噪聲。
對于在2.8至100 V的寬輸入電壓范圍內工作的控制器,它可以調節從冷啟動期間的最小輸入電壓到未抑制的負載突降的峰值幅度。直通模式只是一種工作模式,控制器仍可以通過引腳可選的連續導通模式(CCM),脈沖跳躍或突發模式操作作為常規的降壓-升壓控制器進行操作。
直通操作模式
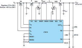
圖1示出了配置為直通操作的電路的簡化示意圖。輸出調節為8至16V。在本示例中,直通窗口的最高和最低電壓分別由FB2和FB1電阻分壓器設置。

1.通過直通調節器電路,利用直通模式消除EMI和開關損耗,同時使效率最大化。該電路建立在LT8210的周圍,并具有配置為8至16V的直通操作。
圖2顯示了該電路的輸入/輸出傳輸特性。當輸入電壓高于Pass-Thru窗口時,控制器將其降壓至穩定的16V輸出(圖3)。如果輸入電壓降到窗口以下,則控制器升壓以將輸出保持在8 V (圖4)。

2.直通操作可在直通輸入電壓窗口內實現99.9%的效率。
3.直通模式可快速響應80V的未抑制負載突降脈沖,從而將輸出限制為已編程的最大16V。

4.直通模式響應冷彎脈沖
當輸入電壓在Pass-Thru窗口內時,頂部開關A和D連續導通,從而允許輸出跟蹤輸入,并使器件進入低功耗狀態,并在V IN和V IN上施加典型的靜態電流。V INP引腳分別為4 μA和18 μA。在這種非開關狀態下,既沒有EMI也沒有開關損耗,使效率可達到99.9%以上(圖5)。

5.與連續傳導模式效率相比,在直通區域中,效率達到近100%
對于DC-DC轉換器設計者來說,汽車電池和類似的寬電壓范圍電源是一個復雜的問題,需要保護功能以及高效率的降壓和升壓轉換。具有直通功能的同步降壓-升壓控制器將保護功能與寬輸入范圍的降壓-升壓轉換器結合在一起,從而消除了復雜性。直通模式消除了開關損耗和噪聲,同時實現了超低靜態電流(圖6)。在直通模式下,輸出電壓不是常規意義上的調節,而是由可編程電壓窗口限制。

6.控制器在直通區域具有超低靜態電流。

